El control de la humedad del aire es uno de los retos cruciales de numerosos entornos industriales. Fenómenos como un exceso de humedad, la condensación o el desarrollo de moho pueden comprometer la calidad de los productos, degradar las instalaciones o trastocar los procesos. Ahí es donde interviene el deshumidificador de aire: una solución eficaz para controlar la tasa de humedad, asegurar el desempeño de los equipos y garantizar condiciones de producción idóneas. Descubra en este artículo cómo funciona un deshumidificador industrial, y en particular los modelos de tecnología desecante, admirados por su eficacia en los entornos más exigentes.
Existen dos tipos de deshumidificadores de aire industriales: los deshumidificadores de aire con rotor desecante y los deshumidificadores de aire por condensación (frigorífico). La mayor diferencia reside en el principio de funcionamiento.
El funcionamiento de los deshumidificadores de aire con rotor desecante Dessica
Los deshumidificadores de aire con rotor desecante (o deshumidificadores por adsorción) DESSICA están diseñados para mantener una tasa de humedad constante y controlada en entornos industriales sensibles. Su funcionamiento se apoya en una tecnología de adsorción que utiliza un rotor giratorio provisto de gel de sílice, un material desecante muy eficiente. El aire húmedo (llamado el aire que tratar en el esquema) es aspirado por el deshumidificador y atraviesa el rotor, donde el gel de sílice capta la humedad. El aire tratado de esa forma sale seco y puede dirigirse hacia un espacio de producción o un proceso industrial que requiera un entorno controlado.
En paralelo, una segunda corriente de aire, llamada el aire de regeneración, se calienta y se dirige a través de una zona del rotor (de aproximadamente un cuarto de su superficie) para eliminar la humedad que se ha conservado en el gel de sílice. Ese ciclo permite una regeneración continua del rotor, lo que posibilita un funcionamiento continuo y una eficiencia constante, incluso a baja temperatura o con un aire muy húmedo. Esta tecnología, que no utiliza refrigerante, ofrece una solución sostenible, de bajo consumo energético y respetuosa con el medio ambiente. Los equipos DESSICA se integran fácilmente en distintos sectores: agroalimentario, farmacéutico, electrónico o también del almacenamiento, para preservar la calidad de los productos y garantizar la seguridad de los procesos.

Vídeo: ¿Cómo funciona un secador industrial?
Nuestro vídeo explicativo le permite visualizar de manera concreta el funcionamiento de un secador industrial, como complemento de las explicaciones técnicas.
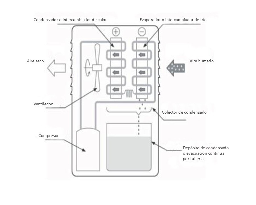
El funcionamiento de los deshumidificadores de aire por condensación
Los deshumidificadores de aire por condensación son equipos diseñados para extraer la humedad del aire ambiente, en particular en los entornos en los que la temperatura es entre moderada y elevada. Este tipo de deshumidificador funciona según un principio sencillo y eficaz: un ventilador aspira el aire húmedo y lo dirige hacia un intercambiador térmico, donde es enfriado por debajo de su punto de rocío. A dicha temperatura, el vapor de agua contenido en el aire se condensa en gotas, que se recogen en una bandeja o se evacuan a través de un sistema de drenaje (evacuación de las aguas residuales). El aire, que ahora estará seco, se calentará antes de volver a introducirse en el local. Esta tecnología resulta ideal para mantener una tasa de humedad controlada en edificios, espacios de almacenamiento, instalaciones técnicas o en procesos industriales que requieren condiciones de aire estables. Los deshumidificadores fijos y con conductos que propone DESSICA se distinguen por su robustez, su bajo consumo energético y su adaptabilidad a las limitaciones de cada entorno. Al optar por un sistema de deshumidificación por condensación, los clientes industriales se aseguran una solución fiable, duradera y eficaz para proteger sus instalaciones, mejorar la calidad de la producción y evitar el deterioro ligado a la humedad.

La diferencia entre deshumidificadores por condensación y deshumidificadores por adsorción
Además del coste considerablemente más elevado del segundo, la principal diferencia entre un deshumidificador por condensación y un deshumidificador por adsorción (con rotor desecante) consiste en el aumento de la temperatura: unos +2 °C con un deshumidificador frente a +15 a 20 °C con un deshumidificador por adsorción.
Se preferirá un deshumidificador de aire con rotor desecante cuando se busque alcanzar una humedad muy baja (inferior al 30 % de humedad relativa), y en particular a baja temperatura.
Los deshumidificadores por condensación son eficaces en umbrales de funcionamiento comprendidos entre +7 y +35 °C, con una humedad relativa de entre el 35 y el 95 %.
Los deshumidificadores por adsorción están diseñados para funcionar en entornos en los que la temperatura varía entre -15 °C y +40 °C. Cuando el objetivo es alcanzar bajas tasas de humedad, los deshumidificadores de aire con rotor desecante presentan un ahorro energético mayor que los deshumidificadores por condensación.
En conclusión, entender el funcionamiento de los deshumidificadores resulta primordial para elegir la tecnología que mejor se adapte a sus necesidades industriales. Ya sea a través de los deshumidificadores de aire con rotor desecante Dessica, diseñados para entornos que requieran una higrometría muy baja, o a través de los deshumidificadores por condensación, más eficaces en condiciones moderadas de humedad y de temperatura, cada solución presenta sus ventajas, en función de las obligaciones y limitaciones del proceso. Por último, es importante diferenciar bien los deshumidificadores por condensación de los sistemas por adsorción para elegir el equipo más eficaz en función de sus objetivos en materia de calidad del aire, consumo energético y conservación de las condiciones climáticas. Dessica le acompaña en ese proceso con soluciones a medida, fiables y duraderas.